RONWIN
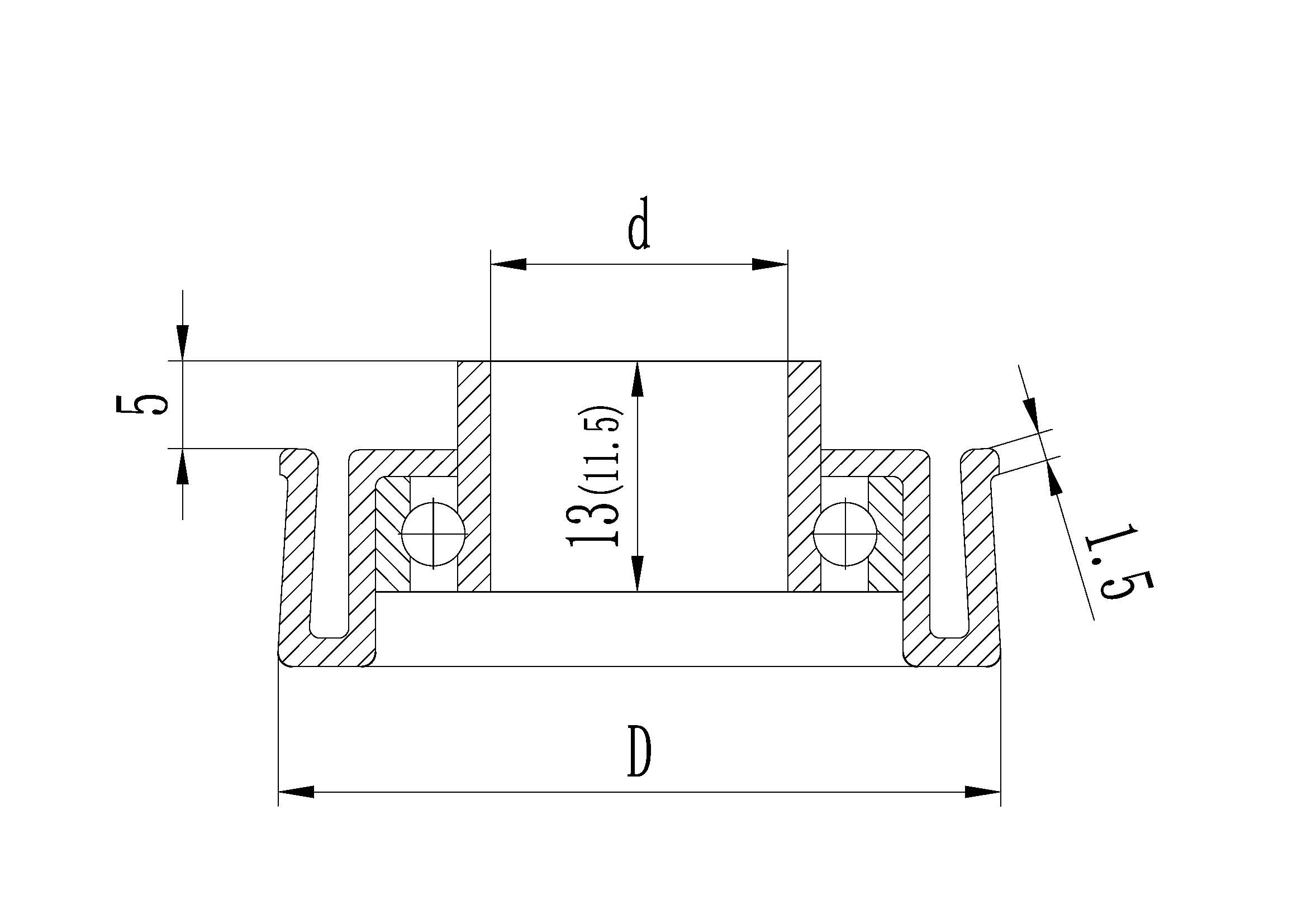
この製品は、高度に設計された複合ベアリングアセンブリです。その中心的な設計コンセプトは、コンパクトなユニット内で 2 つの異なるタイプのベアリング (ローラー ベアリングとボール ベアリング) の利点を組み合わせることです。高いラジアル荷重容量、中程度のアキシアル荷重容量、高剛性、および精密回転の包括的な組み合わせを必要とする、要求の厳しいアプリケーションシナリオを満たすように設計されています。
以下の仕様表は、ローラーチューブの壁厚と対応するシャフトの詳細を示しています。
| チューブ外径 (mm) | チューブの壁の厚さ (mm) | シャフト径 (mm) | 素材 |
| Φ25 | 1.0/1.2 | Φ8 | 炭素鋼、ステンレス鋼 |
| Φ32 | 1.0/1.2 | Φ8 | 炭素鋼、ステンレス鋼 |
| Φ38 | 1.2/1.5/2.0 | Φ12 | 炭素鋼、ステンレス鋼 |
| Φ42 | 1.2/1.5/2.0 | Φ12 | 炭素鋼、ステンレス鋼 |

直径 25m、32mm、38mm、および 42mm のスチールローラーには、この種のスチールベアリングアセンブリを使用できます。スタンプベアリングハウジング、エンドキャップ、精密ボールベアリングでベアリングアセンブリが完成します。
この「アセンブリ」は、標準化された単一のベアリングではなく、統合された機能モジュールです。その典型的な構造は一般的に次のもので構成されます。
外層・本体:円筒ころ軸受ユニット。これは、硬化鋼製の外輪と内輪と、それらの間にある円筒形のローラーで構成されています。ラジアル (垂直方向) 荷重を処理するための主要なコンポーネントです。ローラーの線接触設計により、非常に高いラジアル剛性と耐荷重能力が得られます。
内層・一体部:精密深溝玉軸受ユニット。通常、ころ軸受の内輪は、内部または端面に精密グレードの深溝玉軸受を組み込むように特別に設計されています。このボールベアリングは、アキシアル(水平方向)のスラスト荷重と残りのラジアル荷重の一部を処理し、アセンブリ全体のスムーズな回転と低い起動トルクを保証します。
一体型ハウジング / マウント: 通常、ベアリング アセンブリ全体は、堅牢な鋼製ハウジング (角フランジ ブロック、丸フランジ ブロック、ピロー ブロックなど) 内に封入されています。このハウジングは、正確な取り付け基準、事前調整機能を提供し、機械フレームへの全体的な取り付けと固定を容易にします。

回転要素:
ローラー: 高炭素クロム軸受鋼 (GCr15 など) で作られ、非常に厳しい寸法公差に精密研磨され、表面仕上げが優れているため、均等な荷重分散が保証されます。
ボール: 同様に高精度ベアリング鋼球で作られており、通常は ABEC-3/5/7 以上のグレードに適合し、高速動作、低摩擦、正確な走行経路を保証します。
リングとケージ:
内輪・外輪は軸受鋼を使用しており、熱処理(焼き入れ・焼き戻し)を施し、高い硬度と耐摩耗性を実現しています。
保持器(転動体を分離する)は、高速で転動体をガイドし、摩擦を低減するために、打ち抜き鋼または高強度エンジニアリングプラスチック(PEEK、ナイロンなど)で作られています。
シール: 通常、アセンブリには効率的な複数のシール (接触ゴムシール、ラビリンスシールなど) が装備されており、外部汚染物質 (塵、破片、液体) の侵入を防ぎ、内部の潤滑グリースを保持して耐用年数を延ばします。

非常に高いラジアル荷重容量: 円筒ころ軸受の設計により、単一の深溝玉軸受の能力をはるかに上回る、非常に重いラジアル荷重に耐えることができます。
複合耐荷重: 統合された精密ボールベアリングを介して両方向からの大きな軸方向スラストに耐えると同時に、巨大なラジアル荷重に耐えることができます。これにより、ころ軸受 (通常、アキシャル容量が弱い) またはペアのアンギュラ玉軸受 (ラジアル容量が比較的弱い) のみを使用する場合と比較して、より包括的でコンパクトなソリューションが提供されます。
高剛性・高精度:ころ軸受の採用により剛性が高く、重荷重による曲げ変形に効果を発揮します。統合された高精度ボールベアリングにより、回転シャフトシステム全体の振れや動作のぐらつきが最小限に抑えられます。
調整済みで簡単な取り付け: 工場出荷前に事前調整、潤滑、およびシールが施されているコンポーネントなので、ユーザーは複雑な位置合わせや調整を行わずに取り付けることができます。これは「プラグアンドプレイ」モジュールとして機能し、組み立てプロセスを大幅に簡素化し、機械全体の組み立て精度と信頼性を向上させます。
この軸受アセンブリは、重荷重、精度、コンパクトな構造を必要とする機器向けに特別に設計されています。典型的なアプリケーションには次のようなものがあります。
高精度工作機械: CNC 旋盤およびマシニング センターのスピンドル後部サポート、頑丈なボールねじの固定端サポート。
産業用ロボット: ロボットの関節の位置、特に曲げモーメント (半径方向の力) と推力に同時に耐える必要がある大型アームやベースなどの重要な回転軸。
プロフェッショナル ドライブ システム: 大型ギアボックスの出力シャフト、印刷機械のローラー ベアリング ハウジング、圧延機のガイド ローラー。
精密回転装置: レーダー アンテナ、医療用 CT スキャナーの回転コンポーネント、大型光学機器のターンテーブル。

機能の統合:重ラジアル荷重と両方向のアキシアル荷重の両方の支持要件を 1 台のユニットで解決します。
省スペース: 統合されたアセンブリは、2 つの個別のベアリングを使用するソリューションに比べてよりコンパクトな構造となっており、装置内の貴重な内部スペースを節約します。
パフォーマンスの向上: 高い剛性と精度は、ホスト機器の加工精度、動作の安定性、および動的応答を直接的に向上させます。
簡素化された設計とメンテナンス: 部品の数が減り、機械設計が簡素化され、多くの場合、長寿命の潤滑が特徴で、メンテナンス間隔が延長されます。
選択時に注目すべき主な要素:
動/静定格荷重: ラジアル荷重およびアキシアル荷重の容量。
精密グレード: ボールベアリングの精度 (ABEC グレードなど) とアセンブリ全体の回転精度。
許容速度:ローラーベアリングとボールベアリングの組み合わせ特性を考慮した最高速度の制限。
取り付けインターフェース: ハウジングのタイプ (フランジ、ブロックなど) と寸法。
潤滑とシール:封入グリースの種類とシール等級(IP等級)が使用条件を満たしているか。
要約すると、精密ボールベアリング一体型ローラースチールベアリングアセンブリは、ハイエンド、重荷重、精密機械分野で使用される高度な機能部品です。革新的な「ローラー + ボール」複合設計により、耐荷重能力、剛性、回転精度を完璧に組み合わせています。これは、最新の高性能機器において信頼性が高く正確な動作を可能にする中核となる基礎コンポーネントの 1 つです。
この製品は、高度に設計された複合ベアリングアセンブリです。その中心的な設計コンセプトは、コンパクトなユニット内で 2 つの異なるタイプのベアリング (ローラー ベアリングとボール ベアリング) の利点を組み合わせることです。高いラジアル荷重容量、中程度のアキシアル荷重容量、高剛性、および精密回転の包括的な組み合わせを必要とする、要求の厳しいアプリケーションシナリオを満たすように設計されています。
以下の仕様表は、ローラーチューブの壁厚と対応するシャフトの詳細を示しています。
| チューブ外径 (mm) | チューブの壁の厚さ (mm) | シャフト径 (mm) | 素材 |
| Φ25 | 1.0/1.2 | Φ8 | 炭素鋼、ステンレス鋼 |
| Φ32 | 1.0/1.2 | Φ8 | 炭素鋼、ステンレス鋼 |
| Φ38 | 1.2/1.5/2.0 | Φ12 | 炭素鋼、ステンレス鋼 |
| Φ42 | 1.2/1.5/2.0 | Φ12 | 炭素鋼、ステンレス鋼 |

直径 25m、32mm、38mm、および 42mm のスチールローラーには、この種のスチールベアリングアセンブリを使用できます。スタンプベアリングハウジング、エンドキャップ、精密ボールベアリングでベアリングアセンブリが完成します。
この「アセンブリ」は、標準化された単一のベアリングではなく、統合された機能モジュールです。その典型的な構造は一般的に次のもので構成されます。
外層・本体:円筒ころ軸受ユニット。これは、硬化鋼製の外輪と内輪と、それらの間にある円筒形のローラーで構成されています。ラジアル (垂直方向) 荷重を処理するための主要なコンポーネントです。ローラーの線接触設計により、非常に高いラジアル剛性と耐荷重能力が得られます。
内層・一体部:精密深溝玉軸受ユニット。通常、ころ軸受の内輪は、内部または端面に精密グレードの深溝玉軸受を組み込むように特別に設計されています。このボールベアリングは、アキシアル(水平方向)のスラスト荷重と残りのラジアル荷重の一部を処理し、アセンブリ全体のスムーズな回転と低い起動トルクを保証します。
一体型ハウジング / マウント: 通常、ベアリング アセンブリ全体は、堅牢な鋼製ハウジング (角フランジ ブロック、丸フランジ ブロック、ピロー ブロックなど) 内に封入されています。このハウジングは、正確な取り付け基準、事前調整機能を提供し、機械フレームへの全体的な取り付けと固定を容易にします。

回転要素:
ローラー: 高炭素クロム軸受鋼 (GCr15 など) で作られ、非常に厳しい寸法公差に精密研磨され、表面仕上げが優れているため、均等な荷重分散が保証されます。
ボール: 同様に高精度ベアリング鋼球で作られており、通常は ABEC-3/5/7 以上のグレードに適合し、高速動作、低摩擦、正確な走行経路を保証します。
リングとケージ:
内輪・外輪は軸受鋼を使用しており、熱処理(焼き入れ・焼き戻し)を施し、高い硬度と耐摩耗性を実現しています。
保持器(転動体を分離する)は、高速で転動体をガイドし、摩擦を低減するために、打ち抜き鋼または高強度エンジニアリングプラスチック(PEEK、ナイロンなど)で作られています。
シール: 通常、アセンブリには効率的な複数のシール (接触ゴムシール、ラビリンスシールなど) が装備されており、外部汚染物質 (塵、破片、液体) の侵入を防ぎ、内部の潤滑グリースを保持して耐用年数を延ばします。

非常に高いラジアル荷重容量: 円筒ころ軸受の設計により、単一の深溝玉軸受の能力をはるかに上回る、非常に重いラジアル荷重に耐えることができます。
複合耐荷重: 統合された精密ボールベアリングを介して両方向からの大きな軸方向スラストに耐えると同時に、巨大なラジアル荷重に耐えることができます。これにより、ころ軸受 (通常、アキシャル容量が弱い) またはペアのアンギュラ玉軸受 (ラジアル容量が比較的弱い) のみを使用する場合と比較して、より包括的でコンパクトなソリューションが提供されます。
高剛性・高精度:ころ軸受の採用により剛性が高く、重荷重による曲げ変形に効果を発揮します。統合された高精度ボールベアリングにより、回転シャフトシステム全体の振れや動作のぐらつきが最小限に抑えられます。
調整済みで簡単な取り付け: 工場出荷前に事前調整、潤滑、およびシールが施されているコンポーネントなので、ユーザーは複雑な位置合わせや調整を行わずに取り付けることができます。これは「プラグアンドプレイ」モジュールとして機能し、組み立てプロセスを大幅に簡素化し、機械全体の組み立て精度と信頼性を向上させます。
この軸受アセンブリは、重荷重、精度、コンパクトな構造を必要とする機器向けに特別に設計されています。典型的なアプリケーションには次のようなものがあります。
高精度工作機械: CNC 旋盤およびマシニング センターのスピンドル後部サポート、頑丈なボールねじの固定端サポート。
産業用ロボット: ロボットの関節の位置、特に曲げモーメント (半径方向の力) と推力に同時に耐える必要がある大型アームやベースなどの重要な回転軸。
プロフェッショナル ドライブ システム: 大型ギアボックスの出力シャフト、印刷機械のローラー ベアリング ハウジング、圧延機のガイド ローラー。
精密回転装置: レーダー アンテナ、医療用 CT スキャナーの回転コンポーネント、大型光学機器のターンテーブル。

機能の統合:重ラジアル荷重と両方向のアキシアル荷重の両方の支持要件を 1 台のユニットで解決します。
省スペース: 統合されたアセンブリは、2 つの個別のベアリングを使用するソリューションに比べてよりコンパクトな構造となっており、装置内の貴重な内部スペースを節約します。
パフォーマンスの向上: 高い剛性と精度は、ホスト機器の加工精度、動作の安定性、および動的応答を直接的に向上させます。
簡素化された設計とメンテナンス: 部品の数が減り、機械設計が簡素化され、多くの場合、長寿命の潤滑が特徴で、メンテナンス間隔が延長されます。
選択時に注目すべき主な要素:
動/静定格荷重: ラジアル荷重およびアキシアル荷重の容量。
精密グレード: ボールベアリングの精度 (ABEC グレードなど) とアセンブリ全体の回転精度。
許容速度:ローラーベアリングとボールベアリングの組み合わせ特性を考慮した最高速度の制限。
取り付けインターフェース: ハウジングのタイプ (フランジ、ブロックなど) と寸法。
潤滑とシール:封入グリースの種類とシール等級(IP等級)が使用条件を満たしているか。
要約すると、精密ボールベアリング一体型ローラースチールベアリングアセンブリは、ハイエンド、重荷重、精密機械分野で使用される高度な機能部品です。革新的な「ローラー + ボール」複合設計により、耐荷重能力、剛性、回転精度を完璧に組み合わせています。これは、最新の高性能機器において信頼性が高く正確な動作を可能にする中核となる基礎コンポーネントの 1 つです。