RONWIN
産業用動力伝達および搬送分野では、設備の安定性と耐久性が生産効率を確保するための鍵となります。当社は、コンベヤーローラー用のスチールベアリングエンドキャップアセンブリをご紹介できることを誇りに思っています。スチールローラーを使用した要求の厳しい用途向けに特別に設計されており、プラスチックベアリングユニットの代替として理想的なソリューションであり、比類のない堅牢性と幅広い適用性を備えています。
この製品は、すぐに取り付けられる完全なベアリング ソリューションであり、3 つのコア コンポーネントで正確に構成されています。
型抜き鋼製ハウジング: 高張力鋼板で形成されているため、構造的に堅牢で、衝撃や変形に効果的に耐えます。
密閉エンドキャップ: 塵や汚染物質の侵入を効果的に防ぎ、内部ベアリングの寿命を延ばします。
精密ボールベアリング: ローラーは滑らか、低騒音、低摩擦で回転し、優れた回転精度を実現します。
全鋼製構造により非常に高い機械的強度が得られ、プラスチック製ベアリングユニットをはるかに超えるラジアル荷重およびアキシアル荷重に耐えることができます。継続的に重い負荷がかかる場合でも、衝撃や振動が避けられない環境でも安定した状態を保ち、筐体の故障によるダウンタイムを効果的に防ぎます。
頑丈なスチールハウジングと高精度の内部ボールベアリングのおかげで、より重い荷重を処理できるように設計されています。頑丈なコンベアラインやさまざまなパワーローラー用途でのマテリアルハンドリングの要求を難なく満たし、信頼性の高いサポートを提供します。
スチール素材を使用しているため、プラスチックに比べて温度変化の影響をはるかに受けにくくなっています。周囲温度が高くても低くても安定した性能を維持し、プラスチックベアリングが軟化または脆化する可能性があるさまざまな極端な条件に適しており、それにより機器の適用範囲が拡大します。
このベアリング ユニットは、スチール ローラーの 2 つの一般的に使用される業界仕様に完全に適合するように細心の注意を払って設計されており、柔軟な構成オプションを提供します。
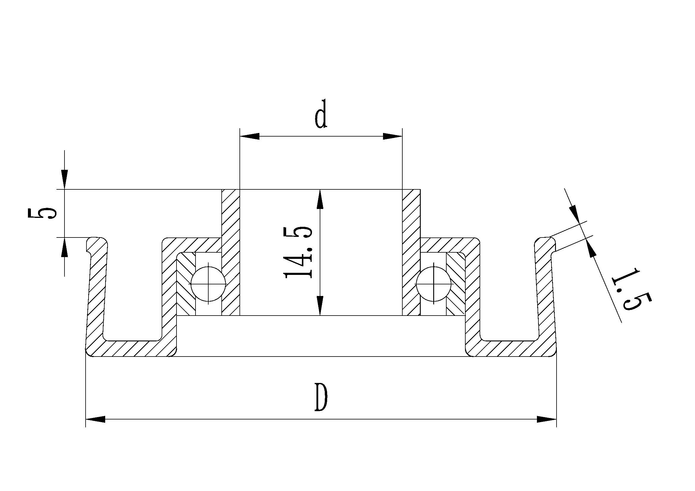
2D 図面

ローラーチューブ肉厚と適合シャフトは下記仕様表の通りです。
| チューブ外径 (mm) | チューブの壁の厚さ (mm) | シャフト径 (mm) | 素材 |
| Φ50 | 1.2/1.5/2.0 | Φ12/Φ15 | 炭素鋼、ステンレス鋼 |
| Φ57 | 1.5/2.0/2.5 | Φ12/Φ15 | 炭素鋼、ステンレス鋼 |
注: さまざまな設計要件を満たすために、他の仕様も利用できます。
重荷重用ベルトコンベヤ、ローラーコンベヤ。
倉庫および物流仕分けシステム。
農業機械、印刷機械、包装機械。
高負荷、長寿命のローラーを必要とする各種産業機器
重量、衝撃、温度など、用途がプラスチック ベアリングの限界を超える場合、スチール ベアリング ユニットが最適な選択肢です。これは単なるコンポーネントではなく、装置の継続的な運用、メンテナンスの削減、全体的な信頼性の向上** への投資です。
今すぐスチール ベアリング ユニットを選択して、コア機器に壊れない堅牢なパフォーマンスを与えてください。
フレンドリーなリマインダー: 取り付ける前に、十分なサポート強度とネジの噛み合いを保証するために、ローラーの壁の厚さが要件を満たしていることを確認してください。
画像



産業用動力伝達および搬送分野では、設備の安定性と耐久性が生産効率を確保するための鍵となります。当社は、コンベヤーローラー用のスチールベアリングエンドキャップアセンブリをご紹介できることを誇りに思っています。スチールローラーを使用した要求の厳しい用途向けに特別に設計されており、プラスチックベアリングユニットの代替として理想的なソリューションであり、比類のない堅牢性と幅広い適用性を備えています。
この製品は、すぐに取り付けられる完全なベアリング ソリューションであり、3 つのコア コンポーネントで正確に構成されています。
型抜き鋼製ハウジング: 高張力鋼板で形成されているため、構造的に堅牢で、衝撃や変形に効果的に耐えます。
密閉エンドキャップ: 塵や汚染物質の侵入を効果的に防ぎ、内部ベアリングの寿命を延ばします。
精密ボールベアリング: ローラーは滑らか、低騒音、低摩擦で回転し、優れた回転精度を実現します。
全鋼製構造により非常に高い機械的強度が得られ、プラスチック製ベアリングユニットをはるかに超えるラジアル荷重およびアキシアル荷重に耐えることができます。継続的に重い負荷がかかる場合でも、衝撃や振動が避けられない環境でも安定した状態を保ち、筐体の故障によるダウンタイムを効果的に防ぎます。
頑丈なスチールハウジングと高精度の内部ボールベアリングのおかげで、より重い荷重を処理できるように設計されています。頑丈なコンベアラインやさまざまなパワーローラー用途でのマテリアルハンドリングの要求を難なく満たし、信頼性の高いサポートを提供します。
スチール素材を使用しているため、プラスチックに比べて温度変化の影響をはるかに受けにくくなっています。周囲温度が高くても低くても安定した性能を維持し、プラスチックベアリングが軟化または脆化する可能性があるさまざまな極端な条件に適しており、それにより機器の適用範囲が拡大します。
このベアリング ユニットは、スチール ローラーの 2 つの一般的に使用される業界仕様に完全に適合するように細心の注意を払って設計されており、柔軟な構成オプションを提供します。
2D 図面

ローラーチューブ肉厚と適合シャフトは下記仕様表の通りです。
| チューブ外径 (mm) | チューブの壁の厚さ (mm) | シャフト径 (mm) | 素材 |
| Φ50 | 1.2/1.5/2.0 | Φ12/Φ15 | 炭素鋼、ステンレス鋼 |
| Φ57 | 1.5/2.0/2.5 | Φ12/Φ15 | 炭素鋼、ステンレス鋼 |
注: さまざまな設計要件を満たすために、他の仕様も利用できます。
重荷重用ベルトコンベヤ、ローラーコンベヤ。
倉庫および物流仕分けシステム。
農業機械、印刷機械、包装機械。
高負荷、長寿命のローラーを必要とする各種産業機器
重量、衝撃、温度など、用途がプラスチック ベアリングの限界を超える場合、スチール ベアリング ユニットが最適な選択肢です。これは単なるコンポーネントではなく、装置の継続的な運用、メンテナンスの削減、全体的な信頼性の向上** への投資です。
今すぐスチール ベアリング ユニットを選択して、コア機器に壊れない堅牢なパフォーマンスを与えてください。
フレンドリーなリマインダー: 取り付ける前に、十分なサポート強度とネジの噛み合いを保証するために、ローラーの壁の厚さが要件を満たしていることを確認してください。
画像


