
この製品は、パワーローラーコンベヤシステムの中核となる駆動コンポーネントです。スチール製スプロケットと搬送ローラーの軸端を高強度・高精度に一体化した機能モジュールです。その中心的な機能は、ドライブ チェーンによって伝達された動力を効率的かつ確実にローラーの回転運動に変換し、それによってコンベア ベルトを駆動したり、材料を直接推進したりすることです。

スチール製のスプロケットとチューブの溶接プロセスを使用することで、ローラーはより多くのトルクを伝達できるようになり、重い荷物を積んだパレットを輸送できるようになりました。精密ボール ベアリング ユニットは、スチール製ハウジング内に衝撃によってしっかりと頑丈に固定されているため、ポリマー ベアリング ユニットよりも大きな重量を支えることができます。
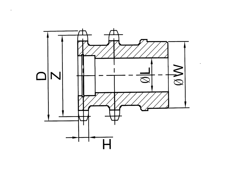
| チューブの外径 | チューブの厚さ | シャフト径 | スプロケットモデル | 素材 | 表面処理 |
| Φ38 | 1.2/1.5/2.0 | Φ12/Φ15 | 06B/08B | #45鋼、SS304 | 硬化、酸化 |
| Φ50 | 1.2/1.5/2.0 | Φ12/Φ15 | 06B/08B | #45鋼、SS304 | 硬化、酸化 |
| Φ60 | 1.5/2.0/2.5/3.0 | Φ12/Φ15/Φ20 | 08B | #45鋼、SS304 | 硬化、酸化 |
| Φ76 | 2.0/2.5/3.0/3.5 | Φ12/Φ15/Φ20/Φ25 | 08B/10A | #45鋼、SS304 | 硬化、酸化 |
| Φ89 | 3.0/3.5/4.0 | Φ12/Φ15/Φ20/Φ25 | 10A | #45鋼、SS304 | 硬化、酸化 |
注:スプロケットAss'yは単列または複列を選択可能です。
このアセンブリは、産業用搬送用途向けに特別に設計された標準化またはカスタマイズされた接続ユニットです。その典型的な構造には次のものが含まれます。
スチールスプロケット: アセンブリの中核となる特徴的なコンポーネント。通常、高品質の炭素鋼または合金鋼 (例: 45# 鋼、40Cr) から鍛造と機械加工によって作られます。歯形は正確に計算され(ANSI または ISO 規格に準拠するなど)、熱処理(焼き入れおよび焼き戻し)が施され、歯面に高い硬度(HRC 40 ~ 55)と優れた耐摩耗性および耐衝撃性が与えられます。
ローラー接続端: ローラーシャフト端の設計に応じて、主な接続方法は次のとおりです。
キー接続: 最も伝統的で信頼性の高い方法。スプロケット ハブにはキー溝が機械加工されており、ローラー シャフトの対応するキー溝と係合する平行キーまたはウッドラフ キーを介してトルクが伝達されます。止めねじは、追加の軸方向の固定によく使用されます。
テーパーロック (ブッシング) 接続: より現代的なキーレス接続方法。スプロケットハブには、ダブルコーン弾性ブッシュに適合するテーパーボアが付いています。高力ボルトを締め付けるとブッシュが径方向に膨張し、スプロケットハブとローラーシャフトの間に巨大な静摩擦が発生します。これにより、高トルク、高同心性、バックラッシュゼロの接続が実現し、わずかな加工公差を補正できます。
フランジ接続: 耐久性の高い用途では、スプロケットをローラーの端面に溶接されたドライブ フランジに直接ボルトで固定できます。
統合設計: 一部の設計では、スプロケットがベアリング ハウジング、シール構造、さらには完全なローラー エンド キャップと統合され、より簡単に取り付けおよび保守可能な「ドライブ エンド アセンブリ」を形成します。

効率的な動力伝達: スチール製スプロケットがドライブ チェーン (ローラー チェーンなど) としっかりと噛み合い、高い伝達効率と最小限のエネルギー損失を保証します。
高い耐荷重と信頼性: 鋼材と熱処理プロセスにより、アセンブリはシステムの起動/停止サイクルや負荷変動によって引き起こされる衝撃荷重や連続交互荷重に耐えることができます。その信頼性はプラスチックや鋳鉄のスプロケットよりもはるかに優れています。
正確な同期: 正確な歯形加工と堅牢な接続方法により、複数のローラー間の同期が保証されます。これは、材料の位置ずれを防止し、コンベヤラインのスムーズな動作を確保するために重要です。
強力な環境適応性: 鋼製コンポーネントには通常、防食処理 (亜鉛メッキ、黒染め、塗装) が施されており、粉塵、湿気、軽度の腐食条件などの一般的な工場環境要因に耐えることができます。
長寿命と容易なメンテナンス:優れた耐摩耗性により、交換サイクルが大幅に延長されます。モジュラー設計により、摩耗した場合にローラー全体を交換することなく、スプロケット自体のみを交換できます。
このアセンブリは、チェーンドライブを利用するすべての搬送装置の基本コンポーネントであり、以下の用途で広く使用されています。
動力付きローラーコンベヤ: パレット、コンテナ、重量物の輸送に。
スラット/トップチェーンコンベヤ:駆動軸端のスプロケットAss'yとして。
オーバーヘッドチェーンコンベヤシステム: チェーンの駆動スプロケットアセンブリとして。
農業機械および建設機械の搬送装置:収穫機や掘削機の内部搬送機構など。
梱包および仕分けライン: 安定性、信頼性が高く、速度調整可能なドライブが必要なセクション。

信頼性の高い動力伝達: スチール素材と強化プロセスにより、動力伝達における絶対的な信頼性を確保します。
強力な耐荷重能力: 中程度から重量級の産業用連続運転に適しています。
正確な同期: コンベアライン上の複数の駆動ポイントの同期動作を保証します。
長期的な耐久性: 高い耐摩耗性の設計により、ライフサイクルのメンテナンスコストが削減されます。
柔軟な互換性:ローラ軸径、チェーンサイズ(例:08B、10A、12A)、歯数に応じて柔軟に選択、カスタマイズできます。
選定の際は搬送ローラや駆動方式とのマッチングが必要です。主要なパラメータは次のとおりです。
スプロケットパラメータ: チェーンサイズ (ピッチを決定します)、歯数 (速度比と噛み合いの滑らかさに影響します)、モデル (シングルストランド/ダブルストランド/ヘビーデューティ)。
接続パラメータ: ボア直径 (ローラーシャフトの直径と一致する必要があります)、キー溝の寸法、またはブッシュの仕様。
性能パラメータ: 許容トルク、適用速度範囲。
取り付け要件: スプロケットとローラー シャフトの間の位置が適切に調整されていることを確認します。すべての留め具(キー、ブッシングボルト、セットスクリュー)を規定のトルクで締め付けます。 「チェーンの浮き上がり」や異常な摩耗を防ぐために、スプロケットの歯とドライブ チェーンが同じ平面上にあることを確認してください。
要約すると、コンベヤ ローラー スチール スプロケット アセンブリは、産業搬送分野の「パワー ジョイント」です。これは、標準的なトランスミッション スプロケットとローラー シャフトを設計的に統合したものです。堅牢性、耐久性、信頼性の高い特性を備えたこの製品は、さまざまな生産ラインや物流ラインの継続的かつ効率的な稼働を保証する不可欠な重要な機械部品です。

この製品は、パワーローラーコンベヤシステムの中核となる駆動コンポーネントです。スチール製スプロケットと搬送ローラーの軸端を高強度・高精度に一体化した機能モジュールです。その中心的な機能は、ドライブ チェーンによって伝達された動力を効率的かつ確実にローラーの回転運動に変換し、それによってコンベア ベルトを駆動したり、材料を直接推進したりすることです。

スチール製のスプロケットとチューブの溶接プロセスを使用することで、ローラーはより多くのトルクを伝達できるようになり、重い荷物を積んだパレットを輸送できるようになりました。精密ボール ベアリング ユニットは、スチール製ハウジング内に衝撃によってしっかりと頑丈に固定されているため、ポリマー ベアリング ユニットよりも大きな重量を支えることができます。
| チューブの外径 | チューブの厚さ | シャフト径 | スプロケットモデル | 素材 | 表面処理 |
| Φ38 | 1.2/1.5/2.0 | Φ12/Φ15 | 06B/08B | #45鋼、SS304 | 硬化、酸化 |
| Φ50 | 1.2/1.5/2.0 | Φ12/Φ15 | 06B/08B | #45鋼、SS304 | 硬化、酸化 |
| Φ60 | 1.5/2.0/2.5/3.0 | Φ12/Φ15/Φ20 | 08B | #45鋼、SS304 | 硬化、酸化 |
| Φ76 | 2.0/2.5/3.0/3.5 | Φ12/Φ15/Φ20/Φ25 | 08B/10A | #45鋼、SS304 | 硬化、酸化 |
| Φ89 | 3.0/3.5/4.0 | Φ12/Φ15/Φ20/Φ25 | 10A | #45鋼、SS304 | 硬化、酸化 |
注:スプロケットAss'yは単列または複列を選択可能です。
このアセンブリは、産業用搬送用途向けに特別に設計された標準化またはカスタマイズされた接続ユニットです。その典型的な構造には次のものが含まれます。
スチールスプロケット: アセンブリの中核となる特徴的なコンポーネント。通常、高品質の炭素鋼または合金鋼 (例: 45# 鋼、40Cr) から鍛造と機械加工によって作られます。歯形は正確に計算され(ANSI または ISO 規格に準拠するなど)、熱処理(焼き入れおよび焼き戻し)が施され、歯面に高い硬度(HRC 40 ~ 55)と優れた耐摩耗性および耐衝撃性が与えられます。
ローラー接続端: ローラーシャフト端の設計に応じて、主な接続方法は次のとおりです。
キー接続: 最も伝統的で信頼性の高い方法。スプロケット ハブにはキー溝が機械加工されており、ローラー シャフトの対応するキー溝と係合する平行キーまたはウッドラフ キーを介してトルクが伝達されます。止めねじは、追加の軸方向の固定によく使用されます。
テーパーロック (ブッシング) 接続: より現代的なキーレス接続方法。スプロケットハブには、ダブルコーン弾性ブッシュに適合するテーパーボアが付いています。高力ボルトを締め付けるとブッシュが径方向に膨張し、スプロケットハブとローラーシャフトの間に巨大な静摩擦が発生します。これにより、高トルク、高同心性、バックラッシュゼロの接続が実現し、わずかな加工公差を補正できます。
フランジ接続: 耐久性の高い用途では、スプロケットをローラーの端面に溶接されたドライブ フランジに直接ボルトで固定できます。
統合設計: 一部の設計では、スプロケットがベアリング ハウジング、シール構造、さらには完全なローラー エンド キャップと統合され、より簡単に取り付けおよび保守可能な「ドライブ エンド アセンブリ」を形成します。

効率的な動力伝達: スチール製スプロケットがドライブ チェーン (ローラー チェーンなど) としっかりと噛み合い、高い伝達効率と最小限のエネルギー損失を保証します。
高い耐荷重と信頼性: 鋼材と熱処理プロセスにより、アセンブリはシステムの起動/停止サイクルや負荷変動によって引き起こされる衝撃荷重や連続交互荷重に耐えることができます。その信頼性はプラスチックや鋳鉄のスプロケットよりもはるかに優れています。
正確な同期: 正確な歯形加工と堅牢な接続方法により、複数のローラー間の同期が保証されます。これは、材料の位置ずれを防止し、コンベヤラインのスムーズな動作を確保するために重要です。
強力な環境適応性: 鋼製コンポーネントには通常、防食処理 (亜鉛メッキ、黒染め、塗装) が施されており、粉塵、湿気、軽度の腐食条件などの一般的な工場環境要因に耐えることができます。
長寿命と容易なメンテナンス:優れた耐摩耗性により、交換サイクルが大幅に延長されます。モジュラー設計により、摩耗した場合にローラー全体を交換することなく、スプロケット自体のみを交換できます。
このアセンブリは、チェーンドライブを利用するすべての搬送装置の基本コンポーネントであり、以下の用途で広く使用されています。
動力付きローラーコンベヤ: パレット、コンテナ、重量物の輸送に。
スラット/トップチェーンコンベヤ:駆動軸端のスプロケットAss'yとして。
オーバーヘッドチェーンコンベヤシステム: チェーンの駆動スプロケットアセンブリとして。
農業機械および建設機械の搬送装置:収穫機や掘削機の内部搬送機構など。
梱包および仕分けライン: 安定性、信頼性が高く、速度調整可能なドライブが必要なセクション。

信頼性の高い動力伝達: スチール素材と強化プロセスにより、動力伝達における絶対的な信頼性を確保します。
強力な耐荷重能力: 中程度から重量級の産業用連続運転に適しています。
正確な同期: コンベアライン上の複数の駆動ポイントの同期動作を保証します。
長期的な耐久性: 高い耐摩耗性の設計により、ライフサイクルのメンテナンスコストが削減されます。
柔軟な互換性:ローラ軸径、チェーンサイズ(例:08B、10A、12A)、歯数に応じて柔軟に選択、カスタマイズできます。
選定の際は搬送ローラや駆動方式とのマッチングが必要です。主要なパラメータは次のとおりです。
スプロケットパラメータ: チェーンサイズ (ピッチを決定します)、歯数 (速度比と噛み合いの滑らかさに影響します)、モデル (シングルストランド/ダブルストランド/ヘビーデューティ)。
接続パラメータ: ボア直径 (ローラーシャフトの直径と一致する必要があります)、キー溝の寸法、またはブッシュの仕様。
性能パラメータ: 許容トルク、適用速度範囲。
取り付け要件: スプロケットとローラー シャフトの間の位置が適切に調整されていることを確認します。すべての留め具(キー、ブッシングボルト、セットスクリュー)を規定のトルクで締め付けます。 「チェーンの浮き上がり」や異常な摩耗を防ぐために、スプロケットの歯とドライブ チェーンが同じ平面上にあることを確認してください。
要約すると、コンベヤ ローラー スチール スプロケット アセンブリは、産業搬送分野の「パワー ジョイント」です。これは、標準的なトランスミッション スプロケットとローラー シャフトを設計的に統合したものです。堅牢性、耐久性、信頼性の高い特性を備えたこの製品は、さまざまな生産ラインや物流ラインの継続的かつ効率的な稼働を保証する不可欠な重要な機械部品です。